logo.gif (6908 Byte) 

 

Drehteile                             

 
     

Nach oben

Wir fertigen für namhafte Maschinenbaufirmen, wie Bosch, Emag, Traub, Hinterkopf SüKo und andere hochwertige und präzise Drehteile auf modernen CNC-Drehmaschinen.

Wir können die Teile in allen gängigen Stahlwerkstoffen, Kunststoffen und NE-Metallen liefern, vom Durchmesser 10 bis 200 mm und bis zu einer Länge von 300 mm. Teile in hohen Stückzahlen und kleinen Abmessungen fertigen wir auf unseren Kurvenautomaten.

Auch die weitergehende Berarbeitung, wie z.B. Fräsen, Härten, Schleifen, übernehmen wir gerne für Sie.

 

Hier einige Beispiele:

 

Drehteil.jpg (55033 Byte)

 

Wir fertigen nach Skizze, Muster

 

drehteil1.jpg (25443 Byte)                                      drehteil2.jpg (24065 Byte)

 

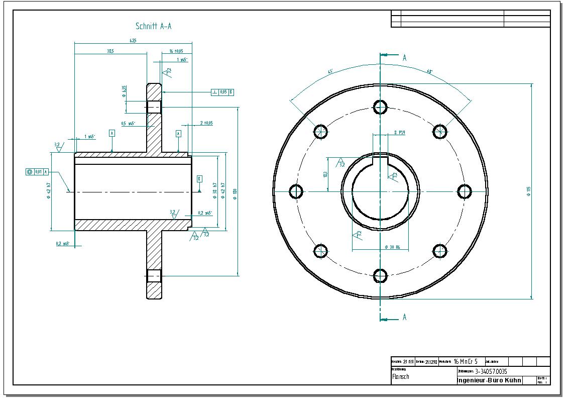
oder nach Zeichnung:zeich.jpg (101682 Byte)

  Wir unterbreiten Ihnen gerne ein unverbindliches Abgebot. E-Mail: info@a-ullmann.de

Unserer Adresse finden Sie auf der ersten Seite!

 

 

Please send your E-Mail including questions and comments about this website to: webmaster@a-ullmann.de
Copyright © 2006 Maschinenbau und Automatendreherei Ullmann